作者:海為PLC體驗者 王工
1 MBR工藝簡介
1.1 MBR含義
MBR為膜生物反應器(Membrane Bio-Reactor)的簡稱,是一種將膜分離技術與生物技術有機結合的新型水處理技術,它利用膜分離設備將生化反應池中的活性污泥和大分子有機物截留住,省掉二沉池。膜-生物反應器工藝通過膜的分離技術大大強化了生物反應器的功能,使活性污泥濃度大大提高,其水力停留時間(HRT)和污泥停留時間(SRT)可以分別控制。
在傳統的污水生物處理技術中,泥水分離是在二沉池中靠重力作用完成的,其分離效率依賴于活性污泥的沉降性能,沉降性越好,泥水分離效率越高。而污泥的沉降性取決于曝氣池的運行狀況,改善污泥沉降性必須嚴格控制曝氣池的操作條件,這限制了該方法的適用范圍。由于二沉池固液分離的要求,曝氣池的污泥不能維持較高濃度,一般在 1.5~3.5g/L 左右,從而限制了生化反應速率。水力停留時間( HRT )與污泥齡( SRT )相互依賴,提高容積負荷與降低污泥負荷往往形成矛盾。系統在運行過程中還產生了大量的剩余污泥,其處置費用占污水處理廠運行費用的 25% ~ 40% 。傳統活性污泥處理系統還容易出現污泥膨脹現象,出水中含有懸浮固體,出水水質惡化。
MBR 工藝通過將分離工程中的膜分離技術與傳統廢水生物處理技術有機結合,不僅省去了二沉池的建設,而且大大提高了固液分離效率,并且由于曝氣池中活性污泥濃度的增大和污泥中特效菌 ( 特別是優勢菌群 ) 的出現,提高了生化反應速率。同時,通過降低 F/M 比減少剩余污泥產生量(甚至為零),從而基本解決了傳統活性污泥法存在的許多突出問題。
1.2優勢
1、高效的固液分離,出水水質優質穩定。
2、剩余污泥產量少 占地面積小。
3、無需二沉池,工藝設備集中。
4、可去除氨氮及難降解有機物。
5、克服了傳統活性污泥法易發生污泥膨脹的弊端。
1.3發展前瞻
1.現有城市污水處理廠的更新升級
2.無排水管網系統地區的污水處理,如居民點、旅游度假區、風景區等。
3.有污水回用需求的地區或場所,如賓館、洗車業、客機、流動廁所等 。
4.高濃度、有毒、難降解工業廢水處理。如造紙、制糖、皮革等行業
5.垃圾填埋廠滲濾液的處理及回用6.小規模污水廠(站)的應用。
2 工藝與控制邏輯
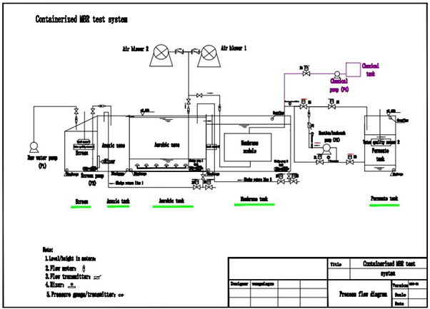
2.1工藝圖
工藝圖如下:

2.2控制邏輯圖
控制流程圖如下:

系統啟動后進行手動和自動的判斷,手動操作模式主要是用來測試各個輸入輸出,方便檢修。自動模式下,對各生產條件進行判斷,符號產水反洗條件后,進行定時的產水和反洗,當達到化學清洗的條件是,進行化學清洗。當化學清洗結束或系統停機時,執行一次反洗操作。
3 電氣圖紙
3.1電氣系統分布
本電氣系統有HMI和PLC及外圍傳感器,執行電機,執行閥組成,整個控制系統由一套海為PLC控制實現。

3.2 PLC輸入輸出
本設備共有4路模擬量輸入,1路模擬量輸出,2路數字量輸入,21路數字量輸出。
根據系統控制點數,選擇了海為PLC,主機S20M2R,擴展輸出模塊H16DOR
部分電路圖如下:

主線路圖

擴展輸出模塊
4 PLC程序調試
4.1手動模式
手動模式下可以開啟任一電機和閥門。操作按鈕在觸摸屏中制作,采用自保持的按鈕。
手動程序截圖如下:

4.2自動模式
自動檔位時,按自動開機,則按如下流程進行運行:
開啟原水泵,污水可以進入集水池,當集水池的液位非低液位狀態時,自動啟動提升泵,開始往膜池送水,同時,攪拌器開始工作,風機啟動,至此,自動控制準備就緒。各電機自動根據液位做相應的開啟和停止。具備產水,反洗,和化學清洗的條件。
風機啟動后,且膜池處于非低液位狀態下,打開產水進閥和產水出閥,啟動產水泵,開始進行產水的過程。運行指定時間后,打開反洗進水閥和出水閥,開始進行反洗的過程。反洗指定時間后,重新開始產水過程。如此循環運行。
當壓差超過負設定值(參數界面中),或設備連續運行指定時間后,則開啟化學清洗閥,停止產水泵,1秒鐘后,開啟化學泵,開始化學清洗過程,化學清洗時間到達后,開啟反洗閥,關閉化學清洗泵,1秒鐘后開啟反洗泵,運行10分鐘反洗。
反洗工作結束后,重新進入產水過程。如此循環運行。
當生產現場有緊急情況時,按下控制柜上的急停按鈕,PLC停止輸出,所有電機及閥門關閉。緊急情況解除后,復位急停按鈕,系統回到手動狀態,確認具體正常生產條件后,選擇自動開啟,繼續生產。
當點擊停止按鈕時,系統會停止產水泵和產水閥,進行最后一次反洗,反洗結束后,停止所有電機及閥門,系統恢復為手動檔位。
以下為部分程序示例。
自動模式下,兩臺風機輪流啟動,切換時間在觸摸屏上設置。

當壓力超過負設定或者運行達到設定時間后,啟動化學清洗。程序如下:

主程序界面,調用子程序。

5 觸摸屏調試
5.1觸摸屏界面介紹
用戶登陸界面:

工藝流程界面:

運行過程主要包括:產水過程、反洗過程、化學清洗過程。
狀態顯示界面:

上圖報警界面中能夠記錄現場所有的報警信息,上面記錄的是某一設備處于報警狀態的時間,內容及確認時間。

上圖集中顯示現場所有需要記錄數據的儀表歷史曲線。HMI實時顯示了集水池,膜池的液位,產水泵的流量。
6 項目總結
通過該項目的實際測試,海為PLC能夠完成設備的控制要求,主要優點如下:
1、 價格與國外品牌PLC相比,優勢明顯。在滿足該控制要求的前提下,價格僅為國外品牌一半,甚至更低。
2、 軟件操作性好,非常容易入手。界面設置合理。操作方便。軟件本身的文件非常小,僅40多兆,而且集成了模擬功能,這么小的軟件能實現這么強的模擬功能實屬不易,適合學習。
3、 模擬量編程簡單。
4、 系統自帶的程序比較齊全,適合學習和借用。
5、 數字量輸入是雙向輸入型,NPN,PNP都可以。
相對不足的地方有:
1、 編程線為串口線,現在大部分的筆記本不是自帶串口,用USB轉接線,穩定性又不好,建議做USB口的編程線。
2、 不能在線修改PLC程序。
3、 我使用的這款PLC有些指令不支持,如MC和MCR等。
4、 相關的手冊不夠齊全,建議分為硬件操作手冊和軟件編程手冊,詳細講解海為PLC。
5、 PLC掉電后在軟件界面看不出提示。依舊是聯機狀態。
由于時間關系,不能對海為PLC做更多的深入了解和使用,隨著以后的項目,會更多的了解其他功能。總的來說,這是一款性價比較高的產品,值得推廣。廠家也應該再接再厲,更好的做好民族品牌。
海為公眾號
海為云APP
廈門海為科技有限公司
0592-3278716 (技術) | 4000-360-362 (商務)
海為總部:廈門市集美區軟件園三期C03棟13-14層 | 制造中心:廈門市翔安區火炬高新區(翔安)產業區垵邊南路336-2號4樓